Product Overview
This 6mm solenoid valve is specifically designed for aircraft engine oil systems, such as those using Mobil Aeroshell 15W-50 oil. With a pressure controlled by the oil's own gravity, this valve operates efficiently with 28V DC power and offers precise flow control in harsh temperature conditions ranging from -55℃ to +70℃. Ideal for ensuring consistent oil flow in critical aviation systems.

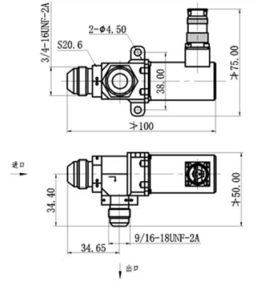
Key Parameters
|
Product Type |
Solenoid Valve / Pneumatic Control Valve |
|
Diameter |
6 mm |
|
Working Pressure |
Controlled by oil's own gravity |
|
Working Medium |
Mobil Aeroshell 15W-50 Oil |
|
Temperature Range |
-55℃ ~ +70℃ |
|
Operating Voltage |
28V ± 4V DC |
|
Operating Current |
≤ 2A |
|
Configuration |
2/2-Way, Normally Closed |
Typical Applications
Aircraft engine oil systems
01
Oil flow control in aviation engines
02
Fuel and lubrication systems for aircraft
03
Aircraft maintenance and refueling equipment
04
Military and civil aviation systems
05
Customers Worldwide
MH has 70 years aviation valve design and manufacture experience for Chinese customers in aviation and aerospace, we also have cooperated some world leading customers for more than 20 years:

Testing Equipment
MH is equipped with comprehensive measurement and testing equipment, capable of meeting the measurement needs of complex parts and testing of various fluid accessories, providing customers with all-round quality testing services.








Hot Tags: 6mm aircraft engine oil solenoid valve (2/2-way, normally closed), China 6mm aircraft engine oil solenoid valve (2/2-way, normally closed) manufacturers, suppliers, factory, 3mm Pneumatic Solenoid Valve 2 3 Way , 4mm Pneumatic Solenoid Valve, 6mm Aircraft Engine Oil Solenoid Valve 2 2 Way Normally Closed , 6mm Ground Fuel Solenoid Valve












